Salient Features
Design: “GLOBE” Electric Chain Hoists are designed as per IS: 6547 and are suitable for Light & Medium duty applications.
Construction: “GLOBE” Hoist has a unique modular construction which makes them an ideal choice since each sub assembly is easily accessible individually, thus reducing the time and cost involved in the maintenance.
Frame: The frame is of sturdy & robust design, fabricated from tested steel plates and is welded / bolted type.
Gear Box: Totally enclosed Gear Box with gears made from EN-9/EN-24, Steel and teethed on precision hobbing machines, hardened and tempered. The gears are lubricated with high viscosity grease and need no further lubrication.
Electric Motor: 3 Phase, 440 Volt, A.C. 50 cycles, Squirrel cage Induction Motor, normally of BBL / N.G.E.F/C.G.L make. All motors are designed as per 125% of SWL.
Load Chain: Conforms to IS: 6216-1971, Grade 80 Alloy steel, tested, calibrated and duly heat treated.
Electromagnetic Brakes: Instant action ‘Fail to Safe’ Electro Magnetic AC / DC disc brakes are incorporated to ensure maximum safety and reliability in operation.
Limit Switch: Snap action limits switches are use to prevent over hoisting and over lowering.
Control Panel: Totally enclosed dust and moisture proof panel housing with components of standard makes like SIEMENS, ABB and T.C etc. Provides control at low voltage for safety of operator.
Control Transformer: Step down transformer with variable voltage outputs for different options of control panel. It is used to prohibit unexpected accidents caused by electric leakage and guarantees the safe usage during outdoor applications.
Push Button Pendent: Light weight, durable & unbreakable PVC push button pendent.
Hook: Steel Forge conforming to IS: 8610-1977. Free to rotate and swivel.
Test: Each Hoist is tested to 25% Overload with conformation to IS: 6547-1971.

| Model | GCH MC1-81 | GCH MC1-82 | GCH MC2-102 | GCH MC3-102 | ||
| Capacity | TON | 1T | 2T | 3T | 5T | |
| Standard lifting height | MTR | 3 | 3 | 3 | 3 | |
| Main Hoisting Speed | MPM | 6 | 3 | 3 | 3 | |
| Main Hoisting Motor | K.W | 1.5 | 1.5 | 2.2 | 3.7 | |
| Chain Dia | MM | 8 | 8 | 10 | 10 | |
| No. of Falls | Nos. | 1 | 2 | 2 | 2 | |
| Cross Travel Speed | MPM | 15 | 15 | 15 | 15 | |
| Cross Travel Motor | K.W | 0.37 | 0.37 | 0.37 | 0.75 | |
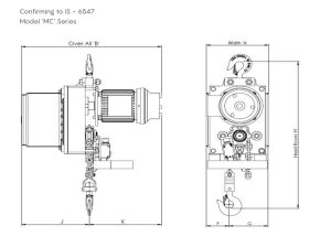
| Dimension | A | MM | 270 | 270 | 302 | 357 |
| B | MM | 607 | 607 | 681 | 741 | |
| F | MM | 99 | 68 | 68 | 103 | |
| G | MM | 170 | 203 | 235 | 256 | |
| J | MM | 294 | 293 | 316 | 330 | |
| K | MM | 313 | 313 | 365 | 411 | |
| H | MM | 735 | 800 | 910 | 1070 | |
| Packing measurement (LXWXH) | CM | 85x72x45 | 85x72x45 | 82x74x52 | 82x74x50 | |
| Net weight with 3 mtr. Lift | KG | 67.5 | 71.5 | 142 | 132 | |
| Gross Weight | KG | 107.5 | 111.5 | 179 | 168 | |
| Extra weight/Mtr. Lift | KG | 2.9 | 4.3 | 5.7 | 5.7 | |
| Note:- Due to continuous development and improvement specifications listed above may be changed without notice. | ||||||
OPTIONS AVAILABLE ON REQUEST:
• Cross Travel Manual / Electrical is available.
• VFD Panels for Main Hoist & Cross Travel Motions
• Higher lifts.
• Flameproof Hoists (Confirming the relevant Standard).
• Hoist with 6-Way Control Panel.
• Fix Type Chain Electric Hoist
• Hoist with Cross Travel Manual
• Hoist with Electric Trolley
• Dimensional Drawing with chart.


